首页
关于我们
企业简介
企业文化
总裁致辞
服务理念
新闻资讯
企业动态
行业新闻
产品中心
TDM47z直流断路器
DM1z直流断路器
DM1塑壳断路器
TDM47小型断路器
双电源转换开关
企业荣誉
人力资源
下载中心
联系我们
产品中心
小型直流断路器系列
双电源自动转换开关
DM1塑壳断路器系列
DM1z直流断路器系列
TDM47小型断路器系列
交流接触器系列
你所在的位置:
首页
>
产品中心
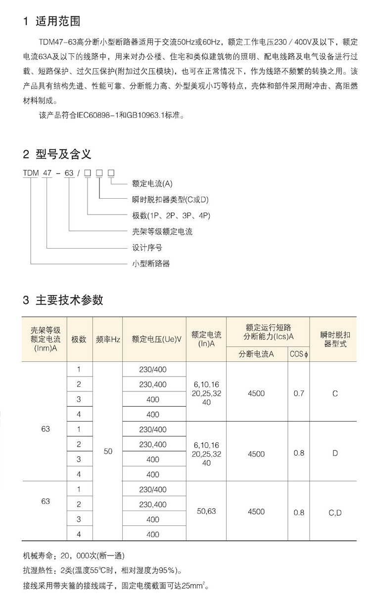
TDM47-63-1P
TDM47-63-1P
COPYRIGHT©2017 浙江普发电器有限公司
友情连接:
浙ICP备16042530号
充气柜
固体柜
自动移印机
自动丝印机
自动激光打标机
环保抛光机
电压互感器
环网柜专用互感器
母线槽
电缆桥架
分流器